TQ-H12柱式称重传感器
编号:10285
查看:
发布:2024-10-15
TQ-H12柱式称重传感器高稳定性,高可靠性。 TQ-H12柱式称重传感器广泛适用于测力、称重及其他力值的测量与控制系统
编号:10285
查看:
发布:2024-10-15
TQ-H12柱式称重传感器高稳定性,高可靠性。 TQ-H12柱式称重传感器广泛适用于测力、称重及其他力值的测量与控制系统
产品名称:TQ-H12柱式称重传感器
产品特点:TQ-H12柱式称重传感器高稳定性,高可靠性。
产品用途:TQ-H12柱式称重传感器广泛适用于测力、称重及其他力值的测量与控制系统
量程:600kN(60t)、1000kN(100t)、2000kN(200t)、3000kN(300t)、4000kN(400t)、5000kN(500t)、6000kN(600t)
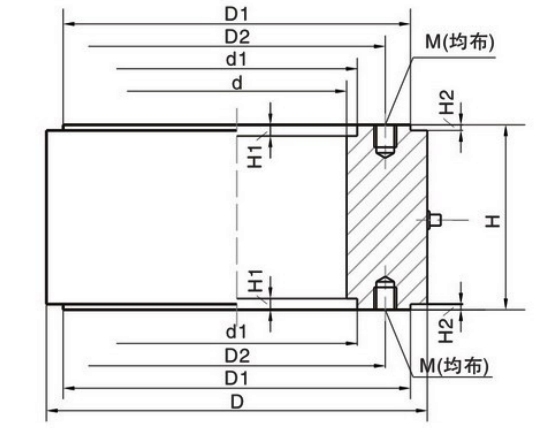
技术参数及外形尺寸:
序号 | 产品技术参数 | |
1 | 额定载荷 | 60t-600t |
2 | 综合精度 | 0.2%F.S |
3 | 灵敏度 | 2.0mV/V |
4 | 非线性 | ≦0.1%F.S |
5 | 重复性 | ≦0.05%F.S |
6 | 滞后 | ≦0.1%F.S |
7 | 零点温度影响 | <0.05%F.S/10℃ |
8 | 输出温度影响 | <0.05%F.S/10℃ |
9 | 零点输出 | ±1%F.S |
10 | 输入阻抗 | 380Ω |
11 | 输出阻抗 | 350Ω |
12 | 绝缘阻抗 | >2000MΩ |
13 | 激励电压 | 10V(DC) |
14 | 工作温度范围 | -10~65℃ |
15 | 安全过载 | 120%F.S |
16 | 材质 | 合金钢 |
17 | 接线方式 | 红……E+(输入正) 黑……E-(输入负) 绿……S+(输出正) 白……S-(输出负) |

型号 | 量程(kN) | 量程(t) | D | D1 | D2 | d | d1 | H | H1 | H2 | M |
TQ-H12 | 600 | 60 | 160 | 140 | 120 | 80 | 100 | 100 | 5 | 5 | 4-M12 |
1000 | 100 | 200 | 170 | 145 | 100 | 120 | 110 | 5 | 5 | 4-M12 | |
1500 | 150 | 225 | 190 | 160 | 120 | 135 | 120 | 5 | 5 | 4-M12 | |
2000 | 200 | 260 | 230 | 195 | 140 | 160 | 130 | 5 | 5 | 4-M12 | |
3000 | 300 | 270 | 245 | 205 | 160 | 180 | 150 | 10 | 5 | 4-M12 | |
4000 | 400 | 295 | 270 | 235 | 160 | 190 | 160 | 10 | 10 | 8-M16 | |
5000 | 500 | 340 | 310 | 265 | 196 | 215 | 165 | 10 | 10 | 8-M16 | |
6500 | 650 | 385 | 355 | 305 | 240 | 260 | 180 | 10 | 20 | 8-M16 |
图片与实物略有差异,以实物为准 / 济南泰钦保留随时更改、撤消产品型号、规格的权利,恕不另行通知