TQ-H1柱式称重传感器
编号:10127
查看:
发布:2024-08-28
TQ-H1柱式称重传感器具有精度高,安装简便,防潮性能好等特点。 TQ-H1柱式称重传感器适用于电子皮带秤,包装秤等。
编号:10127
查看:
发布:2024-08-28
TQ-H1柱式称重传感器具有精度高,安装简便,防潮性能好等特点。 TQ-H1柱式称重传感器适用于电子皮带秤,包装秤等。
产品特点:TQ-H1柱式称重传感器具有精度高,安装简便,防潮性能好等特点。
产品用途:TQ-H1柱式称重传感器适用于电子皮带秤,包装秤等。
量程:TQ-H1 : 1.5 kN(150kg)
TQ-H1 :10kN(1t)、20kN(2t)、30kN(3t)
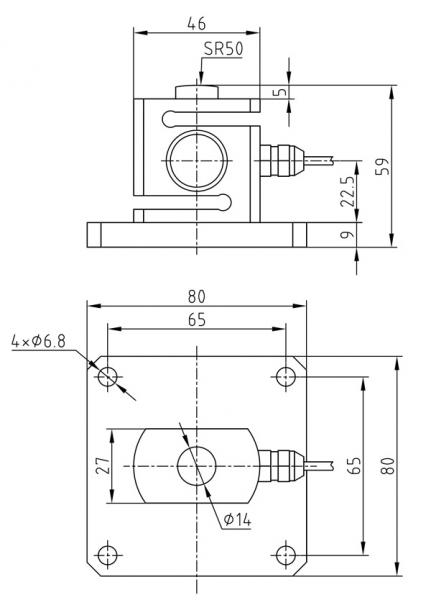
技术参数及外形尺寸:
序号 | 产品技术参数 | |
1 | 额定载荷 | 1.5kN,10kN,20kN,30kN |
2 | 综合精度 | ≤0.05%F.S |
3 | 灵敏度 | 2.0mV/V |
4 | 零点输出 | ≤1%F.S |
5 | 输入阻抗 | 380±10Ω |
6 | 输出阻抗 | 350±3Ω |
7 | 绝缘阻抗 | ≥5000MΩ |
8 | 补偿温度范围 | -10~40℃ |
9 | 使用温度范围 | -20~60℃ |
10 | 安全过载 | 120%F.S |
11 | 材质 | 合金钢 |
12 | 激励电压 | 10V(DC) |
13 | 接线方式 | 红……E+(输入正) 黑……E-(输入负) 绿……S+(输出正) 白……S-(输出负) |
TQ-H1尺寸图:

TQ-H1T-1T 尺寸请咨询厂家。
图片与实物略有差异,以实物为准 / 济南泰钦保留随时更改、撤消产品型号、规格的权利,恕不另行通知