CH-XSQB 悬臂梁传感器
编号:10453
查看:
发布:2022-05-20
产品名称:CH-XSQB悬臂梁传感器产品特点:CH-XSQB采用优质合金钢材质,具有高精度、高稳定性等特点,安装简便、快速,适用于搅拌站、皮带秤、配料秤和平台秤等。量程:500N(50kg)、500N(50kg)、1
编号:10453
查看:
发布:2022-05-20
产品名称:CH-XSQB悬臂梁传感器产品特点:CH-XSQB采用优质合金钢材质,具有高精度、高稳定性等特点,安装简便、快速,适用于搅拌站、皮带秤、配料秤和平台秤等。量程:500N(50kg)、500N(50kg)、1
产品名称:CH-XSQB 悬臂梁传感器
产品特点:CH-XSQB采用优质合金钢材质,具有高精度、高稳定性等特点,安装简便、快速,适用于搅拌站、皮带秤、配料秤和平台秤等。
量程:500N(50kg)、500N(50kg) 、1 kN(100kg) 、2 kN(200kg) 、3 kN(300kg) 、5kN(500kg)、10 kN(1t)、20 kN(2t)、25kN(2.5t) 、30 kN(3t)、50 kN(5t)
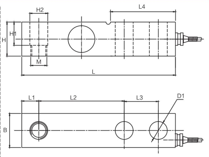
外形尺寸:

量程 | 量程 | L | L1 | L2 | L3 | L4 | B/H | H1 | H2 | M | D1 | |
0.5kN | 50kg | mm | 130 | 22 | 76.2 | 25.4 | 53.5 | 31.8 | 15.7 | Φ13.5 | M12x1.75 | Φ13 |
1-2.5kN | 100kg-2.5t | mm | 130 | 22 | 76.2 | 25.4 | 53.5 | 31.8 | 15.7 | Φ18.5 | M16x2 | Φ13 |
30-50kN | 3t-5t | mm | 171.5 | 19 | 95.3 | 38.1 | 72.5 | 38.1 | 26 | Φ20 | M18x1.5 | Φ20 |
技术参数:
技术参数 | |||
额定输出 | 2.0mV/V±1% | 零点平衡 | ±1%F.S |
综合精度 | 0.03%F.S | 输入阻抗 | 380±5Ω |
线性、滞后性 | ±0.03%F.S | 输出阻抗 | 350±3Ω |
重复性 | ±0.03%F.S | 绝缘电阻 | ≥5000MΩ |
蠕变 | ±0.03%F.S/30min | 允许工作电压 | 5~15V/DC |
零点温度影响 | ±0.03%/10℃ | 工作温度范围 | -30℃~+70℃ |
输出温度影响 | ±0.03%/10℃ | 安全过载 | 150%F.S |
接线方式 | 激励:+红 -黑 信号:+绿 -白 屏蔽:黄 | ||