CH-HLJ悬臂梁式称重传感器
编号:10454
查看:
发布:2022-05-20
产品名称:CH-HLJ悬臂梁式称重传感器产品特点:CH-HLJ悬臂梁式称重传感器采用优质合金钢材质,具有高精度、高稳定性等特点,安装简便、快速,适用于搅拌站、皮带秤、配料秤和平台秤等。量程:2.5kN(250kg)、5kN(50
编号:10454
查看:
发布:2022-05-20
产品名称:CH-HLJ悬臂梁式称重传感器产品特点:CH-HLJ悬臂梁式称重传感器采用优质合金钢材质,具有高精度、高稳定性等特点,安装简便、快速,适用于搅拌站、皮带秤、配料秤和平台秤等。量程:2.5kN(250kg)、5kN(50
产品名称:CH-HLJ悬臂梁式称重传感器
产品特点:CH-HLJ悬臂梁式称重传感器采用优质合金钢材质,具有高精度、高稳定性等特点,安装简便、快速,适用于搅拌站、皮带秤、配料秤和平台秤等。
量程:2.5 kN(250kg)、5 kN(500kg)、10 kN(1t)、20 kN(2t)、30 kN(3t)、50 kN(5t)
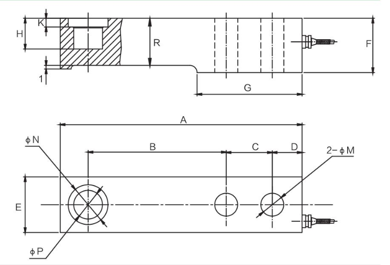
外形尺寸:

量程(kN) | 量程(t) | A | B | C | D | E | F | G | H | K | M | N | P | R | |
2.5-10 | 0.25-1 | mm | 133.4 | 76.2 | 25.4 | 16.4 | 30.7 | 30 | 57.9 | 17 | 4.8 | 12.7 | 22 | 15.9 | 28 |
20 | 2 | mm | 136.7 | 76.2 | 25.4 | 16.7 | 36.8 | 36.6 | 57.9 | 23 | 9.5 | 12.7 | 22 | 15.9 | 33 |
30 | 3 | mm | 139.7 | 79.2 | 25.4 | 16.7 | 39 | 36.6 | 57.9 | 23 | 9.5 | 15 | 22 | 15.9 | 34.5 |
50 | 5 | mm | 171.5 | 95.2 | 38.1 | 16.7 | 42.9 | 43 | 73.8 | 29.4 | 11 | 19 | 34.9 | 22.2 | 40 |
技术参数:
技术参数 | |||
额定输出 | 2.0mV/V±1% | 零点平衡 | ±1%F.S |
综合精度 | 0.03%F.S | 输入阻抗 | 381±4Ω |
线性、滞后性 | ±0.03%F.S | 输出阻抗 | 350±1Ω |
重复性 | ±0.03%F.S | 绝缘电阻 | ≥5000MΩ |
蠕变 | ±0.03%F.S/30min | 允许工作电压 | 5~15V/DC |
零点温度影响 | ±0.02%/10℃ | 工作温度范围 | -30℃~+70℃ |
输出温度影响 | ±0.02%/10℃ | 安全过载 | 150%F.S |
接线方式 | 激励(+):红, 激励(-):黑; 信号(+):绿, 信号(-):白 | ||