佛山桑拿论坛入口2025,南京品茶网论坛,城中村找个气质不错的150


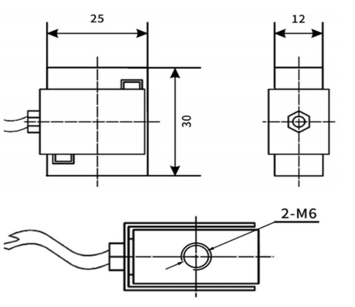
TQ-M4微型传感器

编号:10519
查看:
发布:2022-10-12

采用S型梁结构,拉、压均可使用。测量精度高、稳定性好、输出对称性好。 广泛应用于皮带秤、料斗秤、机电结合秤、万能材料试验机、吊钩秤及各种工程装置的测力系统。 


拨打电话
Call
在线咨询
Service


主站蜘蛛池模板: 宝丰县| 保康县| 依兰县| 通渭县| 益阳市| 柳河县| 辽阳市| 二连浩特市| 东乌珠穆沁旗| 柞水县| 乐安县| 武隆县| 桂平市| 滦平县| 邛崃市| 南投县| 通山县| 临猗县| 沈丘县| 梁山县| 苍山县| 正宁县| 栾川县| 阿巴嘎旗| 钦州市| 北票市| 中牟县| 琼中| 平乐县| 仁化县| 柳州市| 望都县| 闸北区| 长宁区| 元朗区| 关岭| 鄄城县| 班戈县| 铜山县| 泽普县| 盐津县|