TQ-1V 膜合式称重传感器
编号:10274
查看:
发布:2020-03-11
TQ-1V 膜合式称重传感器,采用优质不锈钢材质,高精度,高稳定性,低外形,安装简便、快速,表层镀镍防腐处理。 TQ-1V膜合式称重传感器适用于各种恶劣环境下的力值的检测。
编号:10274
查看:
发布:2020-03-11
TQ-1V 膜合式称重传感器,采用优质不锈钢材质,高精度,高稳定性,低外形,安装简便、快速,表层镀镍防腐处理。 TQ-1V膜合式称重传感器适用于各种恶劣环境下的力值的检测。
产品名称:TQ-1V 膜合式称重传感器
产品特点:TQ-1V 膜合式称重传感器,采用优质不锈钢材质,高精度,高稳定性,低外形,安装简便、快速,表层镀镍防腐处理。
产品用途:TQ-1V膜合式称重传感器适用于各种恶劣环境下的力值的检测。
量程: 3 kN(300kg)、5 kN(500kg)、10 kN(1t)、20 kN(2t)、50 kN(5t)、100 kN(10t)、200 kN(20t)、300 kN(30t)
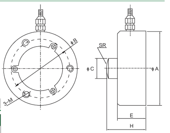
技术参数及外形尺寸:
序号 产品技术参数 1 额定载荷 3-300(kN) 2 综合精度 0.03-0.5%F.S 灵敏度 2.0mV/V 3 零点平衡 ±0.1%F.S 4 蠕变 ±0.6%F.S 5 滞后 ±0.6%F.S 6 重复性 ±0.6%F.S 7 绝缘阻抗 ≥2000MΩ 8 灵敏度系数温度影响 ±0.1%F.S/10℃ 9 零点温度影响 ±0.1%F.S/10℃ 10 推荐激励电压 15V-18V(DC) 11 激励电压范围 6-12V(DC) 12 温度补偿范围 -10~70℃ 13 适用温度范围 -30~70℃ 14 安全过载 200%F.S 15 接线方式 红……E+(输入正) 黑……E-(输入负) 绿……S+(输出正) 白……S-(输出负)

型号 量程(kN) 量程(t) ΦA BΦ ΦC H E M SR TQ-1V 3-10 0.3-1 78 64 15 40 32 M6 40 20-100 2-10 82 66 22 44 32 M8 50 150-300 15-30 127 90 25 70 62 M10 60
图片与实物略有差异,以实物为准 / 济南泰钦保留随时更改、撤消产品型号、规格的权利,恕不另行通知