TQ-1BN轮辐式测力传感器
编号:10266
查看:
发布:2021-08-04
TQ-1BN内螺纹轮辐式测力传感器采用优质合金钢材质,表面镀镍防腐处理。具有高精度,高稳定性,低外形,安装简便、快速等特点。 产品用途:TQ-1CN内螺纹轮辐式测力传感器适用于配料秤、工业称重系统等。
编号:10266
查看:
发布:2021-08-04
TQ-1BN内螺纹轮辐式测力传感器采用优质合金钢材质,表面镀镍防腐处理。具有高精度,高稳定性,低外形,安装简便、快速等特点。 产品用途:TQ-1CN内螺纹轮辐式测力传感器适用于配料秤、工业称重系统等。
产品特点:TQ-1BN内螺纹轮辐式测力传感器采用优质合金钢材质,表面镀镍防腐处理。具有高精度,高稳定性,低外形,安装简便、快速等特点。
产品用途:TQ-1BN内螺纹轮辐式测力传感器适用于配料秤、工业称重系统等。
量程:10kN(1t)、20kN(2t)、50kN(5t)、200kN(20t)
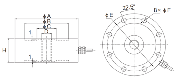
技术参数及外形尺寸:
序号 | 产品技术参数 | |
1 | 额定载荷 | 10,20,50,200kN |
2 | 综合精度 | ≤0.05%F.S |
3 | 额定输出 | 2.0±0.01mV/V |
4 | 蠕变 | ±0.05%F.S/30min |
5 | 零点输出 | ±1%F.S |
6 | 输入阻抗 | 390±15Ω |
7 | 输出阻抗 | 350±5Ω |
8 | 绝缘阻抗 | ≥5000MΩ |
9 | 推荐激励电压 | 10V(DC/AC) |
10 | 工作温度范围 | -20~70℃ |
11 | 安全过载 | 150%F.S |
12 | 材质 | 优质合金钢 |
13 | 接线方式 | 红……E+(电源正) 黑……E-(电源负) 绿……S+(信号正) 白……S-(信号负) |

型号 | 量程(t) | ?A | ?B | ?C | D | E | ?F | H |
TQ-1BN | 1,2,5(t) | ?118 | ?82 | ?36 | M18×1.5 | 100 | ?9 | 46 |
20t | ?182 | ?126 | ?76 | M39×2 | 154 | ?14 | 60 |
图片与实物略有差异,以实物为准 / 济南泰钦保留随时更改、撤消产品型号、规格的权利,恕不另行通知