TQ-1H单点轮辐式称重传感器
编号:10113
查看:
发布:2025-05-10
TQ-1H单点轮辐式称重传感器是传统产品,成熟可靠。特有的T型过 载?;ぷ爸?,抗过载能力强。可选择一体化标准信号输出,如4-20mA 或0-5V三线制放大器。 TQ-1H单点轮辐式称重传感器适用于皮带秤,配料秤等。
编号:10113
查看:
发布:2025-05-10
TQ-1H单点轮辐式称重传感器是传统产品,成熟可靠。特有的T型过 载?;ぷ爸?,抗过载能力强。可选择一体化标准信号输出,如4-20mA 或0-5V三线制放大器。 TQ-1H单点轮辐式称重传感器适用于皮带秤,配料秤等。
产品特点:TQ-1H单点轮辐式称重传感器是传统产品,成熟可靠。特有的T型过载?;ぷ爸?,抗过载能力强。方座式轮辐式称重传感器高度低,钢性好,精度高,抗偏载能力强??裳≡褚惶寤曜夹藕攀涑?,如4-20mA或0-5V三线制放大器。
产品用途:TQ-1H单点轮辐式称重传感器适用于皮带秤,配料秤;方座轮辐式称重传感器适用于皮带秤,料斗秤,仓储秤,料罐,材料力学试验机,劳保安全检测设备等。
量程:30N(3kg)、50N(5kg)、100N(10kg)、200N(20kg)、300N(30kg)、500N(50kg)、1000N(100kg)、1500N(150kg)、2kN(200kg)、3kN(300kg)、5kN(500kg)、10kN(1t)、20kN(2t)、30 kN(3t)、50 kN(5t)、100 kN(10t)、200 kN(20t) 、300 kN(30t) 、500 kN(50t)、1000 kN(100t)
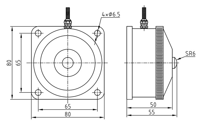
技术参数及外形尺寸:
序号 | 产品技术参数 | |
1 | 额定载荷 | 30N-1000kN |
2 | 综合精度 | ±0.05%F.S |
3 | 灵敏度 | 2.0mV/V |
4 | 零点输出 | ±1%F.S |
5 | 输入阻抗 | 385±5Ω |
6 | 输出阻抗 | 350±3Ω |
7 | 绝缘阻抗 | ≥5000MΩ |
8 | 适用温度范围 | -20~65℃ |
9 | 安全过载 | 120%F.S |
10 | 材质 | 合金钢 |
11 | 激励电压 | 10V(DC/AC) |
12 | 接线方式 | 红……E+(输入正) 黑……E-(输入负) 绿……S+(输出正) 白……S-(输出负) |

30N-1500N

2kN-1000kN
型号 | 量程(kN) | 量程(t) | L1 | L2 | ΦC | ΦD | H | E | SR |
TQ-1H | 2-10 | 0.2-1 | 74 | 62 | 16 | 6.5 | 41 | 33 | 52 |
20-70 | 2-7 | 90 | 73 | 20 | 8.5 | 54 | 44 | 70 | |
100-250 | 10-25 | 116 | 96 | 30 | 11 | 82 | 70 | 91 | |
300-500 | 30-50 | 132 | 108 | 38 | 13 | 97 | 85 | 120 | |
1000 | 100 | 240 | 190 | 76 | 26 | 125 | 112 | 200 |