佛山桑拿论坛入口2025,南京品茶网论坛,城中村找个气质不错的150


TQ-A6方S型拉压称重传感器

编号:10120
查看:
发布:2023-09-23

TQ-A6方S型拉压传感器结构紧凑,综合精度高,长期稳定性好,优质合金钢,表面镀镍处理。 TQ-A6方S型拉压传感器适用于吊钩秤、配料称重控制、机械衡的机电改造。 


拨打电话
Call
在线咨询
Service



产品特点:TQ-A6方S型拉压传感器结构紧凑,综合精度高,长期稳定性好,优质合金钢,表面镀镍处理。
产品用途:TQ-A6方S型拉压传感器适用于吊钩秤、配料称重控制、机械衡的机电改造。
量程:500N(50kg)、1 kN(100kg)、2 kN(200kg)、3 kN(300kg)、5 kN(500kg)、10 kN(1t)、20 kN(2t)、30 kN(3t)、50 kN(5t)
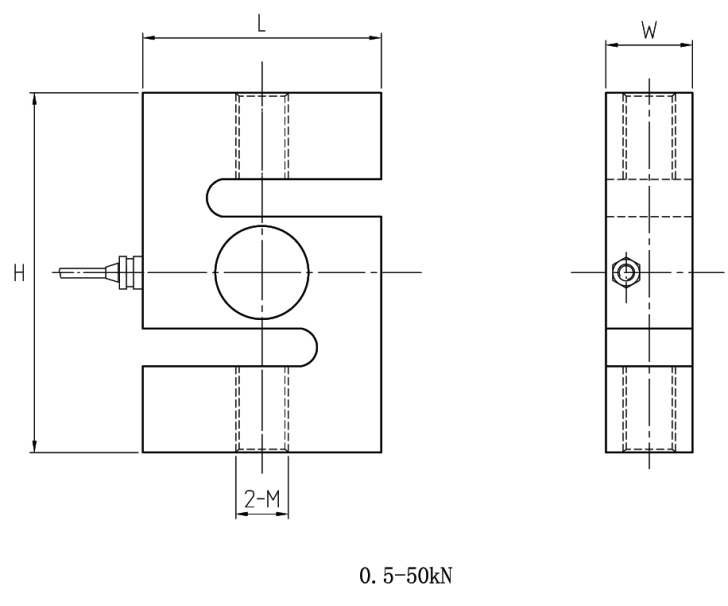
技术参数及外形尺寸:

序号

产品技术参数

1

额定载荷

50-5000kg

2

综合精度

0.02%F.S

3

灵敏度

2.0mV/V±0.2%

4

输入阻抗

385±15Ω

5

输出阻抗

350±3Ω

6

绝缘阻抗

≥5000MΩ

7

补偿温度范围

-10~40℃

8

安全过载

150%F.S

9

材质

合金钢

10

激励电压

10V(DC)

11

密封等级

IP66;IP67

12

接线方式

绿……E+(输入正)

……E-(输入负)

……E-(反馈正

……E-(反馈负)

……S+(信号正)

……S-(信号负)

黄(长)......屏蔽线



型号

量程(kN

量程(kg)

H

L

W

M

TQ-A6

0.5-2

50-200

77

50.8

18.5

M10×1

3

300

77

50.8

24.4

M10×1

5

500

77

50.8

24.4

M12×1

7-15

700-1500

77

50.8

36

M12×1

20

2000

86

70

45

M16×1.5

30

3000

100

80

50

M18×1.5

50

5000

130

92

58

M20×2


图片与实物略有差异,以实物为准 / 济南泰钦保留随时更改、撤消产品型号、规格的权利,恕不另行通知









主站蜘蛛池模板: 驻马店市| 伊春市| 南昌市| 隆林| 扎囊县| 门源| 怀集县| 黔东| 康平县| 金湖县| 岳阳市| 东海县| 德庆县| 神农架林区| 襄城县| 河北区| 尉犁县| 手游| 揭西县| 孟连| 青浦区| 绍兴市| 将乐县| 宝兴县| 镇原县| 环江| 宁强县| 马鞍山市| 明溪县| 泰和县| 龙岩市| 亚东县| 延寿县| 三江| 桑日县| 白朗县| 马公市| 当涂县| 东平县| 铜川市| 隆尧县|