CH-SJTH轮辐式测力传感器
编号:10393
查看:
发布:2022-05-20
CH-SJTH轮辐式测力传感器采用优质不锈钢材质,具有高精度,高稳定性,低外形,安装简便、快速等特点。适用于试验机
编号:10393
查看:
发布:2022-05-20
CH-SJTH轮辐式测力传感器采用优质不锈钢材质,具有高精度,高稳定性,低外形,安装简便、快速等特点。适用于试验机
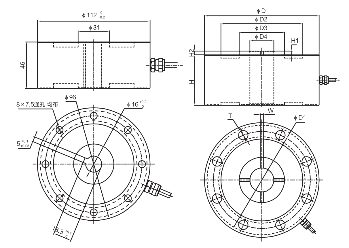
产品名称:CH-SJTH轮辐式测力传感器
产品特点:CH-SJTH轮辐式测力传感器采用优质不锈钢材质,具有高精度,高稳定性,低外形,安装简便、快速等特点。适用于试验机。
量程:500kg,1t,2t,5t,10t,20t,25t,30t
外形尺寸:

技术参数: | ||||||||||||||||||||||||||||||||||||||||
| ||||||||||||||||||||||||||||||||||||||||
| ||||||||||||||||||||||||||||||||||||||||