CH-LPE8单点式称重传感器
编号:10411
查看:
发布:2022-05-20
CH-LPE8单点式称重传感器为单点承载结构,产品结构形式简单,使用方便,通过四角调整保证其在规定的受载平面内各点输出一致。CH-LPE8G钢制平行梁称重传感器采用金属外壳
编号:10411
查看:
发布:2022-05-20
CH-LPE8单点式称重传感器为单点承载结构,产品结构形式简单,使用方便,通过四角调整保证其在规定的受载平面内各点输出一致。CH-LPE8G钢制平行梁称重传感器采用金属外壳
产品名称:CH-LPE8单点式称重传感器
产品特点:CH-LPE8单点式称重传感器为单点承载结构,产品结构形式简单,使用方便,通过四角调整保证其在规定的受载平面内各点输出一致。CH-LPE8G钢制平行梁称重传感器采用金属外壳防护。适用于包装秤、电子皮带秤及配料秤等。
量程:500N(50kg)、1 kN(100kg)、1.5 kN(150kg)、2 kN(200kg)、3 kN(300kg)、5 kN(500kg)、7 kN(700kg)、10 kN(1000kg)
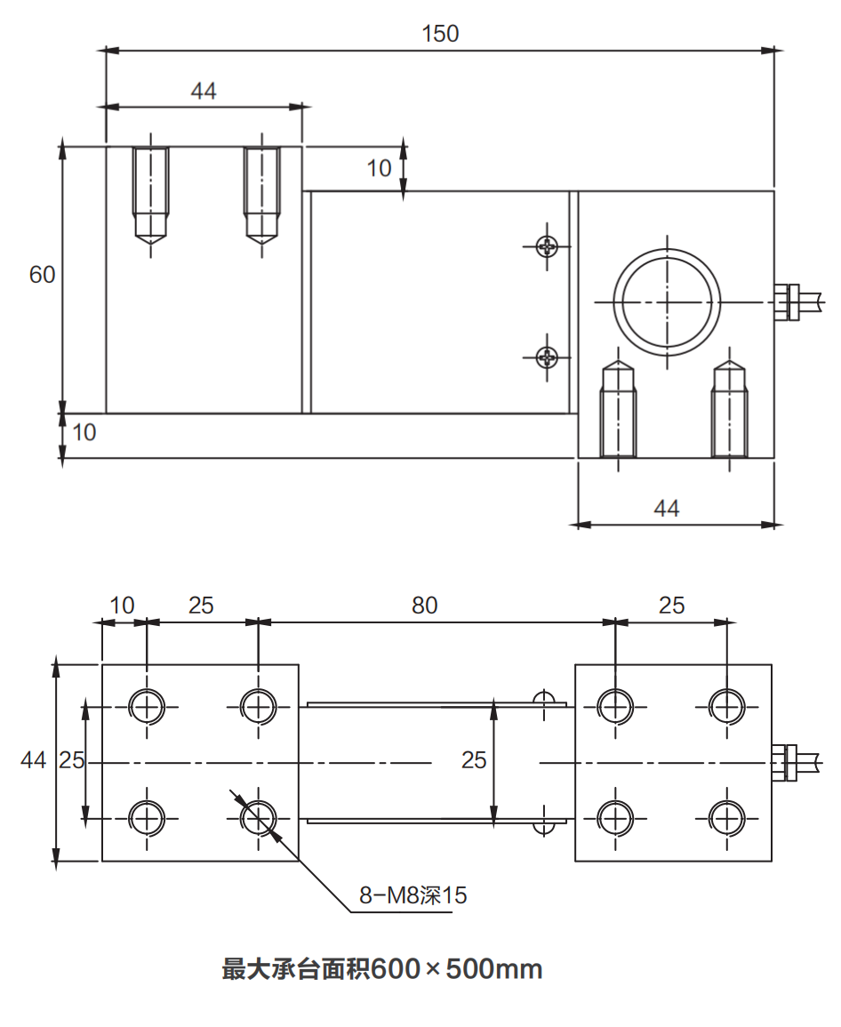
外形尺寸:

CH-LPE8 技术参数 | |||
额定输出 | 2.0mV/V±10% | 输入阻抗 | 410±15Ω |
非线性 | ±0.02%F.S | 输出阻抗 | 350±5Ω |
滞后性 | <±0.02%F.S | 绝缘电阻 | ≥5000MΩ |
重复性 | <±0.02%F.S | 允许激励电压 | 5~15V/DC |
蠕变 | <±0.02%F.S/30min | 补偿温度范围 | -10℃~+40℃ |
零点温度影响 | <±0.02%/10℃ | 工作温度范围 | -30℃~+70℃ |
输出温度影响 | <±0.02%/10℃ | 安全过载 | 150%F.S |
零点平衡 | <±1%F.S | 极限过载 | 200%F.S |
接线方式 | 激励:+红 -黑 信号:+绿 -白 屏蔽:黄 | ||